2021-01-17
摘要:本文主要介紹酒店賓館熱水系統的組成,熱水系統中各部分設備的作用,以及不同系統的優缺點。
1.常壓熱水鍋爐熱水系統
常壓熱水鍋爐熱水系統通常由承壓熱水鍋爐、膨脹水箱、熱媒循環泵、換熱器、熱水箱、熱水循環泵、
膨脹罐、軟水處理器組成。 圖1是峨眉山某溫泉酒店的熱水系統圖,鍋爐采用3臺方快CLHS0.35-95/70-YQ
常壓熱水鍋爐。這3臺鍋爐 不僅供生活熱水使用同時滿足采暖、泳池水加熱的需求。一機多用是常壓熱水的
優點之一。

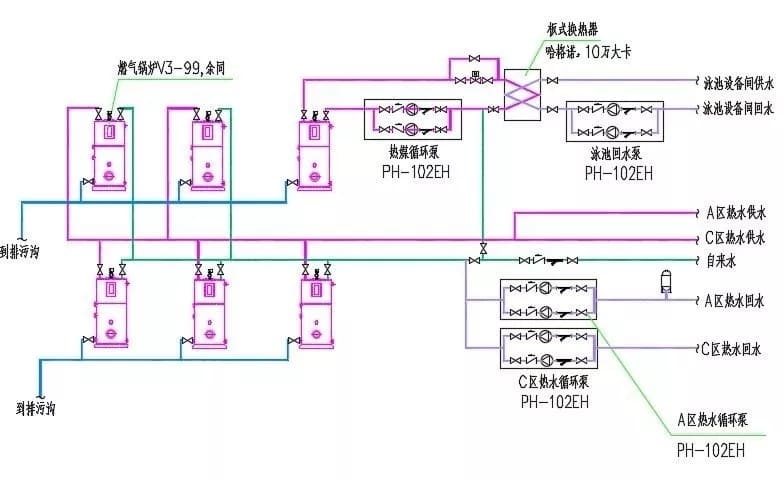
2.商用容積式熱水器熱水系統
容積式商用熱水器的組成非常簡單只需要容積式熱水器、回水泵、膨脹罐即可。圖2是崇州市某頤養酒店 的
熱水系統圖,熱源由5臺方快V3-99容積式加熱機組提供。該系統與常壓熱水系統相比省去了膨脹水 箱、
熱媒循環泵、換熱器、熱水箱,系統相對簡單許多。該系統自來水通過熱水器加熱通過自來水壓力直接
送達用水點,沒有通過二次散熱,熱效率較常壓熱水系統高。缺點就是做不了大功率,單臺功率最大 99
KW(《小型和常壓熱水鍋爐安全技術監察規定》中“額定熱功率小于100kW;最大水容積不超過 500L
不屬于鍋爐的規定,無需獨立建造鍋爐房,無需專人值守。)

3 主要設備及選型
3.1 鍋爐
鍋爐是商用熱水系統熱源提供設備。 酒店熱水鍋爐選型根據《建筑給水排水規范》5.3.1規定:
3.2 換熱器
換熱器在常壓熱水鍋爐系統中起到隔離一次側系統和二次側系統的作用,使一次系統和二次系統只進行
熱量交換而不進行物質交換,保持二次側水清潔干凈。常壓熱水鍋爐系統要用到換熱器的主要原因是,
常壓鍋爐不能承壓,不能直接把把熱水通過自來水壓力送達高區。換熱器的選型主要根據末端用水熱負
荷,計算方法同《建筑給水排水規范》5.3.1。

3.3 水泵
熱媒循環水泵要求達到足夠的流量,保證換熱器的換熱效果。熱水循環泵在常壓熱水鍋爐系統中則要滿
足各用水點保持充足水壓和水量。
水泵在選型的過程中要考慮到的關鍵因素有:管路長度、彎頭多少、內管壁的光滑程度、高度跨距、進
口水壓,末端用水點水壓要求。在多環路熱水系統中,取最不利環路計算。
3.4 熱水箱
熱水箱在常壓熱水鍋爐系統中是個儲熱設備,保證在用水高峰期時熱水能持續供應,適合小時用水變化
系數大的系統。熱水箱的選型根據《建筑給水排水規范》5.4.2B-2規定:

3.5 膨脹水箱
膨脹水箱的在常壓熱水鍋爐系統中的作用是平衡一次側管網壓力,使鍋爐常壓常壓狀態,保證鍋爐安全
穩定的運行。
膨脹水箱的選型根據《建筑給水排水規范》5.4.19-2規定:

3.6 膨脹罐
在熱水系統中膨脹罐起到平衡管網壓力從而保護管網的作用。膨脹水箱的選型根據《建筑給水排水規范
》5.4.21規定:

4 總結
常壓鍋爐熱水系統和容積式熱水器熱水系統各有優缺點,但是明顯可以看出容積式熱水器熱水系統在熱
負荷需求不是很大的熱水項目時是首選方案。酒店熱水系統必然是朝著操作簡單,高能效,低排放的方
向發展。(來源:鍋爐技術圈)